- 产品介绍
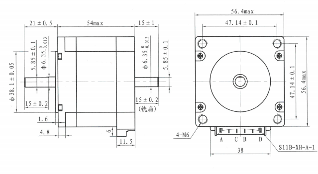
- 接线图
- 规格参数
1.8 度 NEMA 23 步进电机双轴步进电机用于 CNC 机器医疗机器雕刻机
电机和电机轴都接受定制
后轴定追可配合编码器使用



| 型号 | 保持力矩 | 步距角 | 机身 | 出轴 | 电流 |
| 57SHD00 | 600mN.m | 1.8° | 41mm | 圆轴 | 0.1A-5.0A |
| 57SHD01 | 1000mN.m | 1.8° | 45mm | 圆轴 | 0.1A-5.0A |
| 57SHD02 | 1200mN.m | 1.8° | 50mm | 圆轴 | 0.1A-5.0A |
| 57SHD04 | 1500mN.m | 1.8° | 54mm | 圆轴 | 0.1A-5.0A |
| 57SHD05 | 400mN.m | 1.8° | 38mm | 圆轴 | 0.1A-5.0A |
| 57SHD05 | 1500mN.m | 1.8° | 60mm | 圆轴 | 0.1A-5.0A |
| 57SHD06 | 1500mN.m | 1.8° | 56mm | 圆轴 | 0.1A-5.0A |
| 57SHD07 | 1600mN.m | 1.8° | 64mm | 圆轴 | 0.1A-5.0A |
| 57SHD08 | 2200mN.m | 1.8° | 76mm | 圆轴 | 0.1A-5.0A |
| 57SHD09 | 2400mN.m | 1.8° | 82.5mm | 圆轴 | 0.1A-5.0A |
| 57SHD09 | 3200mN.m | 1.8° | 100mm | 圆轴 | 0.1A-5.0A |





